ALMESA | Fabricación, importación y comercialización de componentes electromecánicos para grúas viajeras, Puebla, México
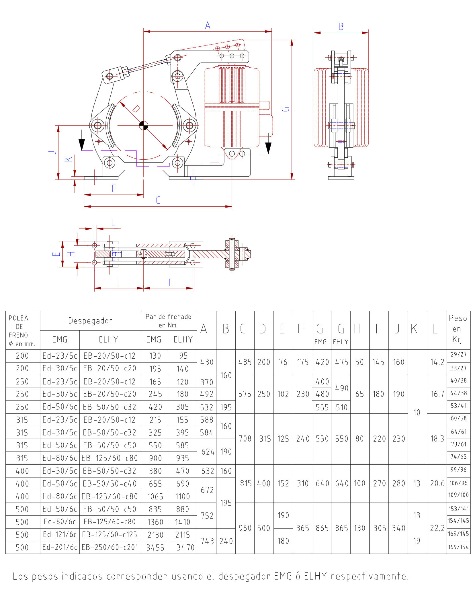
FRENOS DE DOBLE ZAPATA

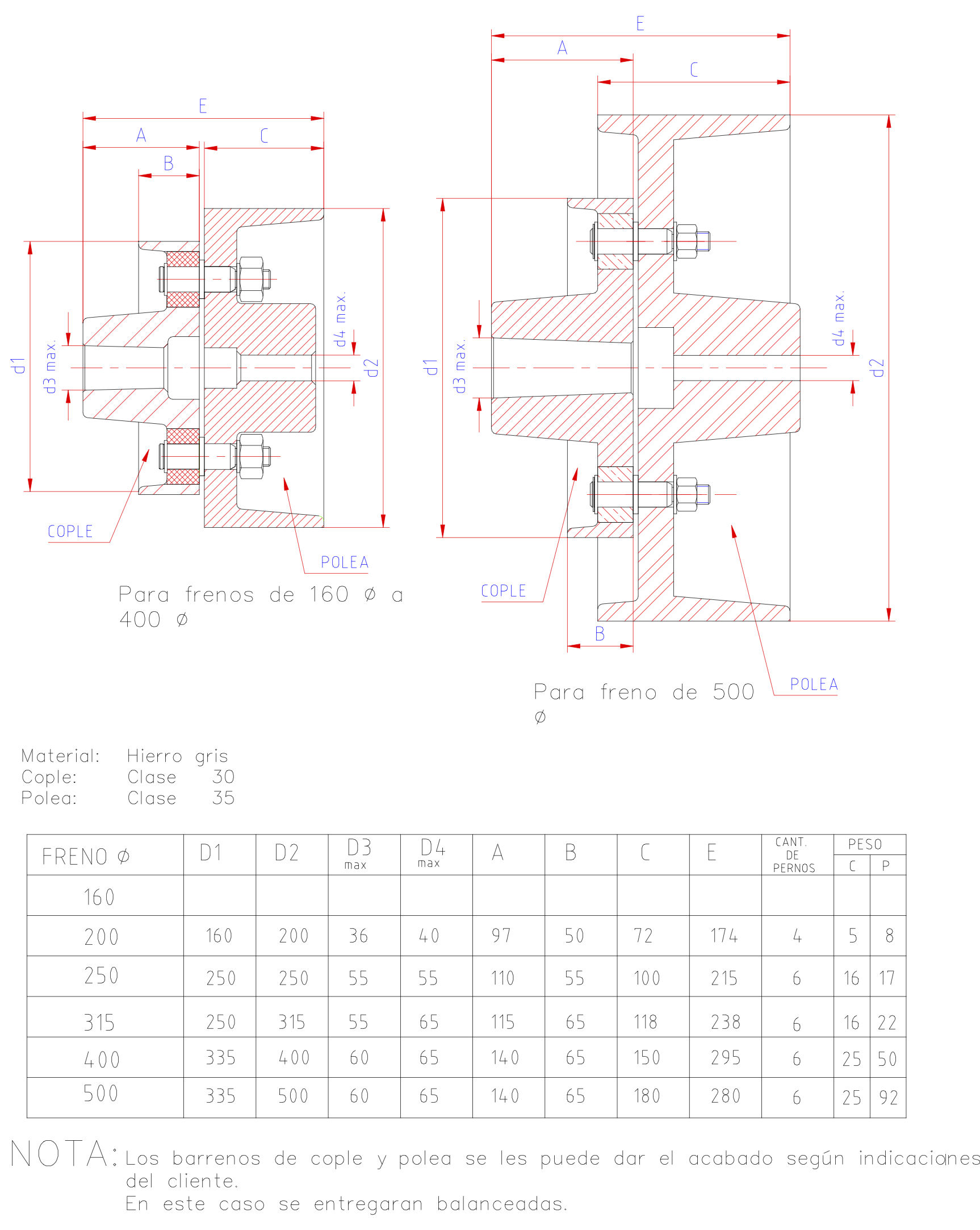
Los frenos de doble zapata son utilizados en grúas viajeras para frenar los motores del gancho, carro y puente, mediante una polea de freno o un cople/polea que van montados directamente a la flecha del motor y/o reductor.

ALMESA ofrece frenos de doble zapata desde 200 mm hasta 500 mm de diámetro.

FRENO DE DOBLE ZAPATA con PAR DE FRENADO CONSTANTE

ALMESA

FRENO DE DOBLE ZAPATA CON PAR DE FRENADO VARIABLE

ALMESA

CONJUNTO COPLE - POLEA DE FRENO

ALMESA

Conoce nuestros productos. Para mayor información,

Alimentaciones Eléctricas, S.A. de C.V.